
地址:重慶市渝北區回興台商工業園
電 話:023-67215167
電話:15923062813
阿裏巴巴商鋪:
E-mail:halpump@163.com youdapump@163.com
廣東辦事處:
地址:廣東省東莞市長安鎮宵邊第二工業區雙龍路15號。
電話:0769-85414757
電話:15923062813
E-mail:phjgcr@163.com

午夜成人电影院DG多通道泵頭說明:
■流量小,精度高,可裝多通道;
■易於更換、固定軟管;
■滾輪采用不鏽鋼材質,防腐,耐用;
■壓管間隙可微量調節;
■6滾輪流量相對稍大;
■10滾輪流體脈衝相對較小;
■通道數DG1DG2DG4DG6DG8DG12DG16DG24;
午夜成人电影院DG多通道泵頭技術簡述:
| 類型 | 多通道微量型 |
| 參考流量 | 0.025-35ml/min |
| 適合軟管 | 1X1 2X1 3X1 |
| 泵殼材質 | POM |
| 滾輪材質 | SUS304 |
| 滾輪數量 | 6輪 |
| 間隙調整 | 可調 |
| 通道數量 | 1、2、4、6、8、12、24(可選) |
| 顏色 | 白色 |
| 使用溫度 | 可在100度以的溫度中使用 |
| 抗腐蝕性 | 環境抵抗性 |
午夜成人电影院DG多通道泵頭曲線表:

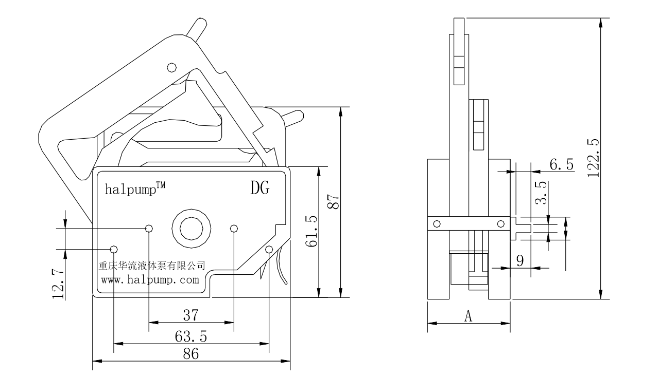
午夜成人电影院DG多通道泵頭尺寸圖:
